如何延長錘式破碎機轉子的使用壽命
如何延長錘式破碎機轉子的使用壽命
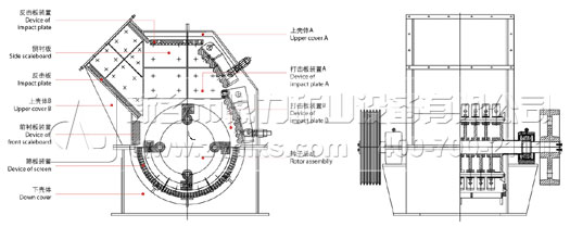
轉子是錘式破碎機設備中為的設備部件,轉子工作性能的好壞和使用壽命的長短直接影響到整臺破碎機的工作效率。錘式破碎機轉子由錘頭、主軸與軸承、錘架及轉盤組成,在錘式破碎機整臺設備的運行中,擔負著重要的作用,對于每個部件,我們都應在其材質、結詳細解答
詳細解答
轉子是錘式破碎機設備中為的設備部件,轉子工作性能的好壞和使用壽命的長短直接影響到整臺破碎機的工作效率。錘式破碎機轉子由錘頭、主軸與軸承、錘架及轉盤組成,在錘式破碎機整臺設備的運行中,擔負著重要的作用,對于每個部件,我們都應在其材質、結構以及保養上多加用心,下面我們就來詳細了解一下從哪些方面著手可以延長錘式破碎機轉子的使用壽命。

轉子的平衡平穩運行
轉子本身的鑄造和安裝的不規范偏,所帶來的偏差,將使錘式破碎機的轉子在旋轉時受到離心力的作用產生的不均衡現象,使破碎設備產生被動的振動。這樣一來,很容易引起錘式破碎機的零部件受沖擊后產生磨損。礦山設備機械廠家在設備出廠前應對轉子進行靜平衡和動平衡的測試,以防止轉子的鑄造誤差和裝置錘頭后質量誤差,使轉子發生不平衡的離心力,進一步使機器產生強迫振動蕩,導致軸承和其它機件損壞。
注重軸承質量及保養
錘式破碎機軸承是其主要的支撐部件,它肩負著破碎工作中所帶來的沖擊力 ,其性能的好壞直接影響錘式破碎機的正常工作,應選擇具有承載性能強,調心性能好特點的軸承材質及型號,同時在錘式破碎機的運行過程中注意調整軸承的工作游隙,達到符合要求,并選擇合適的潤滑油,控制合適的裝油量。同時,用戶們可在軸承座和支承架之間加進適當厚度的橡膠板以提高軸承的支承柔度,同時注意錘式破碎機軸承進行定期清洗,以免灰塵雜物進入軸承腔對軸承造成二次磨損,這些細節都可延長軸承的使用壽命。

為錘盤加裝護圈
錘盤是錘式破碎機轉子的主體結構,在遭受大塊物料沖擊或作業條件下,易產生開裂或磨損現象,為保護轉子的錘盤結構,一般在錘盤的邊緣采取堆焊工藝,同時也可在錘盤的邊緣直接加裝護圈,護圈的應用不僅使得錘盤邊緣磨損后,只需擰下螺旋,更換護圈,不換入新的轉子,而且也增大了錘盤的直徑,在結構上對其進行了延長,進一步的保護了錘盤間隙的錘頭作業。
錘頭的修復、更換及級配
錘頭是錘式破碎機的主要作業部件,錘頭的磨損程度不僅關系到轉子運行過程中的平穩性,而且也直接關系到整臺設備的生產效率。一般情況下,如果轉子中某些錘頭出現嚴重磨損,甚至磨損程度過整個錘頭的1/3時,轉子的轉動就會出現嚴重失衡的現象。所以在選用錘頭時,應選用質量的錘頭,對其結構、度等方面進行考量。同時在設備的運行過程中,應關注錘頭的磨損情況,對于磨損嚴重的錘頭及時進行掉個、逆轉、修復及更換,并注重相對應兩個錘頭的平衡性。
控制不可破物料的入料
錘式破碎機是一臺依靠錘頭對物料進行打擊實現破碎的設備,可以對大塊的抗壓強度低于200mpa的物料實現一破成型是其性能優點,而在對硬度過高物料的破碎過程中易產生磨損和損壞是其傳統痼疾。在錘式破碎機的運行過程中,要嚴格控制不可破物料的入料,例如硬度較高的物料或鐵塊、鋼筋等非石料物料,以免對錘式破碎機的轉子產生損害,并造成的安隱患。